1.自動空氣開關
自動空氣開關適用于交流50Hz或60Hz,電壓500V及以下,或直流220V及以下不頻繁通、斷的線路,具有過負載及短路保護功能,用以保護發電機不因過負荷及短路而損壞。
小型柴油發電機組控制箱常用DZ10系列塑料外殼的自動空氣開關。它由絕緣基座與蓋、滅弧室、觸頭、操作機構及脫扣器等部分組成,除手柄及板前接線的接線頭露出外,其余部分均安裝在塑料壓制的殼內。采用四聯桿操作機構,能快速閉合和斷開,使觸頭分、合時間與操作速度無關。脫扣器分為復式、電磁式、熱脫扣和無脫扣等4種。DZ10自動空氣開關脫扣器瞬時動作電流整定值及延時特性見表4-6。
發電機控制屏常用DW15自動空氣開關,它適用于交流50Hz、額定電流100?4000A、 額定工作電壓380?1140V不頻繁通、斷線路。開關本身具有過負載、短路和欠電壓保護, 用以保護發電機不因過負載及短路而損壞。開關的觸頭裝置、火弧裝置、操作機構安裝在鐵制框架上(630A及以下則安裝在絕緣板上),開關內裝有分勵脫扣器、欠壓脫扣器、過電流脫扣器、速飽和電流互感器(或電流、電壓變換器)、熱繼電器(或半導體脫扣器)。過電流脫扣器有熱-電磁式、電子式、電磁式等3種,熱-電磁式過電流脫扣器具有過負載長延時動作和短時瞬動保護功能。熱-電磁式長延時過電流脫扣器由速飽和電流互感器、雙金屬片式熱繼電器和分勵脫扣器組成,過載時熱繼電器觸頭閉合,使分勵脫扣器動作,分斷斷路 器。電熱式瞬時過電流脫扣器由拍合式電磁鐵組成,主回路母線穿過鐵心,發生短路時拍合式電磁鐵動作,使斷路器斷路。電子式脫扣器由電流、電壓變換器和半導體脫扣器組成,有 DT1和DT3兩種,DT1由分立元件組成,DT3由集成電路組成。
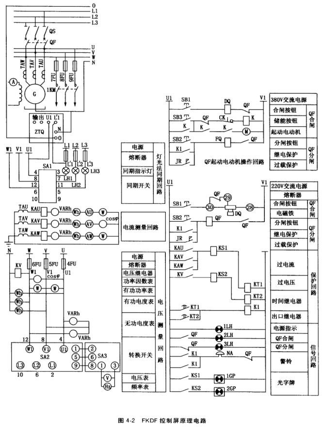
該開關有手動操作和電動操作,電動操作又分為電磁鐵操作(630A及以下)和電動機 操作(1000A及以上),其控制電路見圖4-2。
該系列自動空氣開關技術數據見表4-7,過電流脫扣器動作電流整定值見表4-8。
選用自動空氣開關時必須注意:
(1)正確選用脫扣器的額定電流。如型號為DZ10-100的自動空氣開關,它的主觸頭允許長期通過100A額定電流,但它的脫扣器的額定電流(即熱脫扣額定電流)則有15、25、 30、40、50、60、80、100A等9種,具體選擇那種合適,就要根據發電機的容量而定。如配用的發電機為30kW,它的定子額定電流為54. 1A,選用的脫扣器額定電流應為60A,使它盡量接近并略大于定子額定電流。若選擇的電流太大(如選用80A),發電機長期過載, 而熱脫扣器不會動作,起不到過載保護作用。相反,若脫扣器額定電流選用40A,則發電機額定運行達1小時左右,脫扣器便發生動作,使自動空氣開關跳閘,造成誤停電。所以,在 訂貨時應寫明脫扣器額定電流,若未明確提出要求,出廠時一般按最大額定電流整定,直接在商店購買的自動空氣開關一般不能滿足要求,必要時要另加過流保護裝置。
(2)正確選用瞬時動作額定電流。瞬時動作額定電流是根據短路計算結果來選用的,其 整定值最好由開關廠整定,因此,訂貨時也必須向廠家提出要求,否則出廠時一般按最大值 整定,所以,直接向商店購買的自動空氣開關的瞬時動作額定電流一般不能滿足要求,必要時另外加短路保護裝置。
2.電壓互感器和電流互感器
(1)電壓互感器。電壓互感器的結構和普通變壓器相似,主要由硅鋼片疊成的鐵心和繞在鐵心外邊的兩個繞組組成,它將高電壓變成低電壓。圖4-15為單相電壓互感器結構原理與外形。其中繞組W1為主繞組,與被測量電壓連接。W2為副繞組,為儀表、繼電器提供 100V電壓。因為流過副繞組的電流很小,相當于工作在空載狀態的變壓器,所以,電壓互感器可視為理想的變壓器。由于變壓器工作于空載狀態,內阻抗壓降很小。主繞組側電壓 U1與副繞組側電壓U2的比值稱為電壓互感器的變比。因為電壓互感器是將高壓變低壓, 當電壓互感器繞組絕緣擊穿時,在副繞組側會出現高電壓,為了安全起見,電壓互感器副繞 組回路和它的外殼均須接地。
電壓互感器選用時應注意:
①電壓互感器的工作電壓應等于或小于互感器的額定電壓。
②電壓互感器的額定容最應大于負載的最大容量,以保證具有相應的準確度。電壓互感 器在不間準確度時的額定容量見表4-9。
用于計費用的電度表應采用準確度為0.5級的電壓 互感器,用于一般測量儀表和繼電器應采用準確度為1.0級的電壓互感器,用于估計被測數值的測量儀表(如電壓表)可采用準確度為3級的電壓互感器。
③電壓互感器、繼電器和測量儀表的接線應注意相別極性,確保測量儀表的讀數和繼電 保護動作準確。
④電壓互感器副方負載的各電壓線圈應并聯連接,電壓互感器副繞組不允許短路。
⑤電壓互感器的副方接線,對于中性點不接地的小型發電機組,為了節省一只互感器, 一般可采用V-V接線方式。有同期要求電壓互感器副方采用B相接地時,當電壓互感器副方熔斷器熔斷,電壓互感器副繞組將失去B相接地點。為了實現保護接地,應在副方中點 裝設擊穿保護器。
(2)電流互感器。電流互感器結構和電壓互感器相似,也由兩個繞組和鐵心組成。主次繞組W1與電路串聯,副繞組W2與電流表A、電流繼電器K等串聯。圖4-16為電流互感器結構原理與外形。電流互感器的作用是將大電流變成小電流供給儀表、電流繼電器等使用,因此,副繞組側的阻抗非常小,所以,電流互感器實質上是個工作于短路狀態的變壓 器,激勵電流非常小。主繞組側電流I1與副繞組側電流I2的比值稱為電流互感器的變化。
如果電流互感器的副繞組側開路(即I2 = 0),則主繞組側磁勢全部成為勵磁磁勢,鐵 心磁路將出現高度飽和,致使鐵損增大,互感器溫度急劇升高,有時甚至燒壞互感器,同時 會在副繞組側感應出很高的電壓,因此電流互感器副繞組側不許開路和裝熔斷器,并且必須 將電流互感器副繞組側和外殼接地。
電流互感器選用時應注意:
①電流互感器的正確選擇。一般來說,用于計費用的電度表的電流互感器的準確度應采用0. 5級電流互感器,對于非重要回路的測量儀表可使用3級電流互感器。
②電流互感器的準確度與它的使用容量有關,為此必須使它的使用容最小于或等于它的額定容量,即電流互感器二次側工作電流應小于或等于額定二次側電流,二次側負載(取三 相中最大的一相)應小于或等于額定二次側負載。當計算出的一次側負載大于二次側負載 時,可采用兩個型號、變比相同的電流互感器順向串聯使用,其二次側負載可增加1倍。發 電機組常用LQG- 0.5、LM-0.5電流互感器主要技術參數見表4-10。
③電流互感器接線極性要正確,否則將使測量儀表讀數不正確,并使繼電保護發生誤動作。
④電流互感器二次側負載的各電流線圈應采用串聯連接,不能采用并聯連接,因為只有串聯連接流過各線圈的電流才是相等的,才能正確反映流過電路的電流。
(3)互感器的極性及其判別。電壓互感器和電流互感器的極性表示其主、副繞組的相對繞法關系,如果繞向相間,則兩個繞組的頭(或尾)稱為同極 性。儀表用互感器是按減極性標注的,即當主繞組 和副繞組同吋由同極性端子通人電流時,電流在鐵 心中產生的磁通方向相同,如圖4-17所示,用L1和 K1 (或用?)表示主、副繞組同極性端子。當電流 從主繞組端子L1流入時,在副繞組中感應的電流應 從同極性端子K1流出。根據這一原理,可判別出互 感器繞組的極性,如圖4-18所示。在互感器的主繞 組接上直流電源和開關,將副繞組與萬用表的直流 mA擋連接,并假設互感器的極性如圖中所示。合 上開關的瞬間,萬用表指針向正方向(即向右)偏 轉說明假定的極性是正確的,萬用表指針向負方向(即向左)偏轉說明假定的極性是錯誤的。






