1.發電機控制屏故障檢測
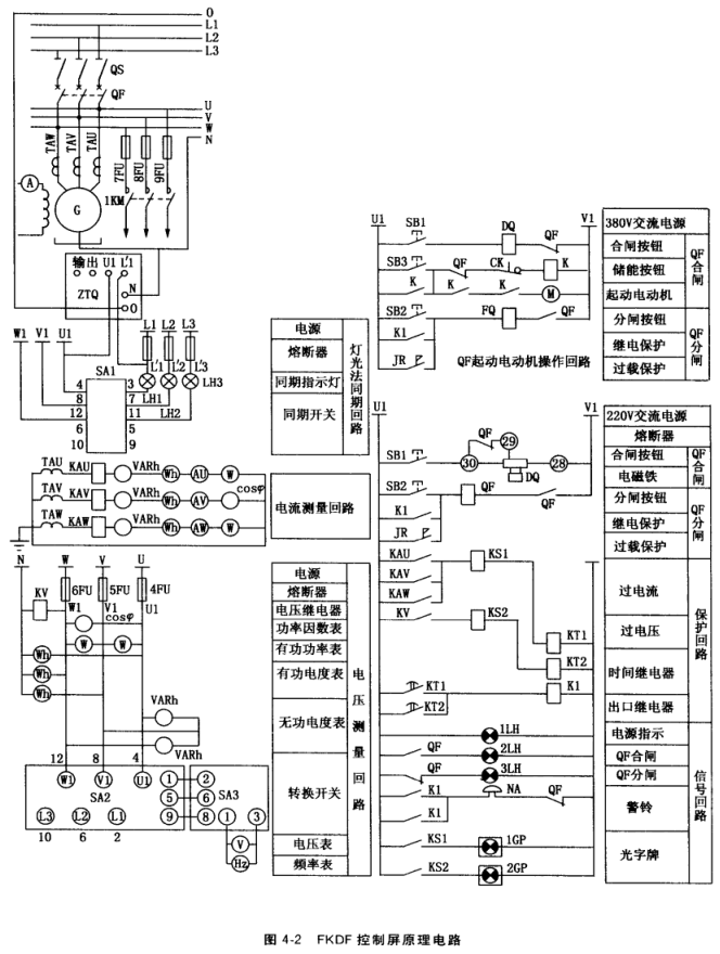
為了保證控制屏的安全、可靠運行,必須定期或不定期對發電機控制屏進行檢測,及時發現問題和排除故障。低壓發電機控制屏盡管各廠生產的型號,規格不同,但它們的作用和基本組成都相同,因此故障檢測和處理方法基本也相同,下面以FKDF控制屏(電路見圖) 為例介紹控制屏的故障檢測。
(1)相序檢測。從控制屏的正面看,控制屏主回路母線相序排列和色標應符合表4-11 規定,接入控制屏的電壓相序應與上述規定相符。
相序可用相序儀檢測。在現場,也可用簡易方法檢測。如圖4-22所示,用2只220V、 50W燈泡和一只3μF、250V電容器接成Y形接線,U'、V'、W'分別與待測互感器U、V、 W相連接,若燈LH1比LH2更亮,則相序正確,否則相序錯接,應更正。
(2) 電流互感器、電壓互感器極性和連接組檢測。在控制屏中,電壓互感器、電流互感 器都有固定極性和連接組,它們與測量儀表、同期裝置連接吋,只有極性和連接組正確(與 圖示一致),儀表指示才正確,同期裝置才能正常工作,否則將使儀表讀數錯誤和并網操作失誤,造成機組損壞。因此在控制屏投入運行前或互感器修理和更換后,應對它們進行 檢測。
連接組檢測時,先檢測互感器各繞組極性是否正確,再檢查接線,若極性正確且按電路圖接線,則連接組就正確了。
(3) 絕緣電阻檢測。控制屏安裝后使用前,和長時間不使用,都必須檢查絕緣電阻。可 用500V兆歐表進行檢測,一般在溫度+20℃左右及相對濕度50%?70%的環境下,各回路絕緣電阻應不小于2MΩ,環境條件比較惡劣的不小于0.4MΩ,否則要査明原因并處理。
(4)主開關檢測。發電機控制屏主開關是指一次回路的自動空氣開關,它起著一次回路的通、斷作用,對發電機向外安全供電很重要。除定期檢修外,如發現異常現象(如發熱、 火花、燒焦等)要及時檢査、處理。主開關主要故障現象、原因分析及處理方法見表4-12。
(5) 控制回路檢測。控制屏控制回路包括主開關(或其他開關、接觸器)的合閘回路、 分閘回路、保護回路和信號回路等,其接線正確與否及元件的質量好壞,直接關系到能否正常、安全、可靠運行。因此在安裝完成或檢修完畢,或在運行中出現故障后,都必須進行檢測,以發現問題并排除故障。
控制回路的檢測可用萬用表法、對線燈法和聯動試驗法,為確保安全,一般先用萬用表法、對線燈法,判斷基本無大問題后,再通電進行聯動試驗。
①萬用表法。先拔去熔斷4FU?6FU,取出電源指示燈1LH的燈泡(使控制回路處于 開路狀態),然后按自上至下的順序檢査各回路接線是否正確,有否短路、斷路現象。檢測時先找出各回路的主要降元器件(如圖4-2中DQ、QF、KS1、KT1、KS2、KT2、K1等電壓線圈和信號燈及電鈴等),然后將萬用表置R×1 (或R×10)擋,兩測筆分別接至U1 點和主要降壓元器件的左邊接線端(或將兩測筆分別接至W1或N點及主要降壓元器件的右邊接線端),檢測各回路。
例如,檢測QF分閘回路,可將測筆一根接U1,另一根接主開關分閘線圈QF的左邊 接線端,此時萬用表指示應為∞,然后按按鈕SB2,若此時萬用表指示為0,則說明合閘回 路左邊接線正確、SB2接觸良好。然后分別短接1K、JR常開觸點,若萬用表指示也為0, 說明繼電保護回路左邊接線也正確、觸點接觸良好。若按SB2 (或短接1K或短接JR)萬用 表指示為∞,則說明按鈕SB2接錯或接觸不良(或1K、JR接錯或接觸不良)。此時可將接 在QF左邊的測筆左移到SB2 (或1K、或JR)的右邊接點,若萬用表指示為0,則說明 SB2 (或1K、JR)觸點接觸良好,接線錯誤或斷線,若萬用表指示為∞,則說明SB2 (或 1K, JR)接觸不良。而后檢測分閘線圈QF右邊接線和線圈本身有否問題,檢測時測筆一 根接V1,另一根接線圈QF的右邊接線端,且將常開觸點QF短路(相當主開關QF合閘), 若萬表指示為0,再將測筆從線圈右端移至左端,此時若萬用表指示的阻值與線圈阻值相 同,則說明線圈接線正確,萬用表指示為0說明線圈短線,萬用表指示為—說明線圈斷路。 其他回路的檢測方法與上述類同。
②對線燈法。在現場若沒有萬用表,也可用兩節電池和一個小電珠用導線連起來做成對線燈來檢測控制回路。其檢測方法和萬用表法一樣,但只能用燈的“亮”和“不亮”來判斷 接線的“通”和“斷”。
③聯動試驗法。首先插上熔斷器4FU?6FU和電源指示燈燈泡,并在控制回路接通電 源。然后按操作步驟進行操作,看有關回路能否動作,信號回路能否發出信號。例如,按合閘按鈕SB1,主開關QF應合閘,合閘指示燈2LH亮。按分閘按鈕SB2,主開關QF分閘, 分閘指示燈3LH亮。當短接電壓繼電器KV常開觸點(或短接電流繼電器常開觸頭)模擬 電壓繼電器(或電流繼電器)動作時,時間繼電器KT2 (或KT1)動作,接著出口繼電器 K1動作,主開關QF分閘,電鈴NA響,信號繼電器KS2 (或KS1)動作(掉牌),光字牌 (故障指示燈)2GP (或1GP)亮。否則有的回路不工作,就要査出哪一條回路故障,并加 以排除。
(6) 保護系統檢測。發電機控制屏除主開關本身具有過載、欠電壓和短路保護外,還裝設了電壓繼電器(KV)、電流繼電器(KAU、KAV> KAW)、時間繼電器(KT1、KT2)、 信號繼電器(KS1、KS2)和出口繼電器(K1)組成的過電壓、過電流保護系統。當發電機 過電壓(或過電流)達到整定值時,電壓繼電器(或電流繼電器)動作,經時間繼電器延時 后,使出口繼電器動作,QF切斷主開關和勵磁回路開關,使發電機退出電網并滅磁(或強行減磁),再通過信號繼電器發出掉牌信號和燈光、電鈴聲信號。
保護系統接線正確與否、元器件的好壞,直接關系到保護系統能否準確動作,以確保發 電機的安全、可靠運行。保護系統檢測主要是檢測電壓繼電器、電流繼電器、時間繼電器的 整定值,并進行聯動試驗。
①電壓繼電器KV整定(見圖4-23)。斷開電壓繼電 器KV線圈的外接線,接入調壓器TY的輸出端并接入電壓表。將調壓器輸出調至0,并將其輸入端接至交流 220V電源。先將KV整定旋鈕轉到最大整定值位置,然 后將調壓器輸出電莊調到KV的整定值,再將KV整定 旋鈕往整定值小的方向慢慢旋轉.使KV動作,常開點 閉合。接著把調壓器回調使電壓繼電器常開觸點斷開,然后將調壓器輸出增至整定值,看KV是否動作,若不動作或動作過早就再來回整定幾次,至KV動作值與整 定值相符為止,然后將調壓器輸出電壓調至0。

②過電壓保護聯動試驗。接通控制回路電源,電源 指示燈1LH亮。按按鈕SB1,主開關QF合閘,合閘指 示燈2LH亮。將調壓器輸出電壓.調至電壓繼電器的整定 值,此時KV應動作,主開關按上述程序跳閘.電鈴響、光字牌燈亮,否則應查出不能動作的故障加以排除。聯 動試驗結束后,拆除調壓器的接線,恢復KV原來接線,并關斷控制冋路電源。
③電流繼電器KAU (或KAV或KAW)整定(見圖4-24)。斷開KAu (或KAV.、KAW) 線圈的外接線,將它與變阻器RP,電流表A串聯后,接入調壓器TY的輸出端。將調壓器 輸出調至0,變阻器RP調至敢大阻值并在TY輸入端接入交流220V電源。先將KAu (或 KAV、KAW)整定旋鈕轉至最大整定值位置,然后慢慢調節調壓器的輸出電壓(粗調)并 減小變阻器R阻值(細調使通過KA,,(或KAV、KAW)線圈電流達到整定值,再將繼 電器整定旋鈕往整定值小的方向慢慢旋轉,使繼電器動作,常開觸點閉合-接著把調壓器回 調,使繼電器常開觸點斷開.然后將調壓器輸出增大,使電流達到整定值,看繼電器是否動 作,若不動作或動作過早再來回整定幾次,直到繼電器動作值與整定值相符為止。最后將調 壓器輸出電壓調至0,變阻器阻值調至最大。
④過流保護聯動試驗。接通控制回路電源,電源指示燈1LH亮。按按鈕SB1,主開關 QF合閘,合閘指示燈2LH亮。調節調壓器TY和變阻器RP,使通過電流繼電器的電流達 到整定值。此時繼電器應動作,主開關按前述程序跳閘,電鈴響、光字牌燈亮,否則應查出 不能動作回路的故障,并加以排除。聯動試驗后拆除調壓器的接線,恢復電流繼電器原接 線,恢復信號繼電器掉牌信號,并關斷控制回路電源。
⑤時間繼電器KT2 (或KT1)整定。將KT2 (或KT1)按整定要求初步整定到整定 值,然后接通控制回路電源,并人為短接電壓繼電器(或電流繼電器)常開觸點,此時時間 繼電器開始動作,動觸點開始移動,經過一段時間后使常開觸點閉合。從時間繼電器開始動作至常開觸點閉合的時間,即為時間繼電器的延時時間,應與設計的整定值相同,若不一致 應連續整定數次,使其完全相符。整定結束斷開控制回路電源。
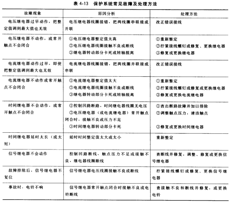
保護系統常見故障現象、原因分析及處理方法見表4-13。
(7) 測量系統檢測。測量系統由交流電壓表、交流電流表、直流電流表、功率表、頻率表、功率因數表、有功電度表、無功電度表、電壓互感器、電流互感器、分流電阻、轉換開 關等組成,其接線正確與否,各儀表、設備的好壞,直接關系到測出的各參數正確性、計量準確性和能否正確監控發電機的運行情況,以確保發電機的安全運行。測量系統檢測可分為 兩類:一類是對各種儀表進行定期檢驗,核查它的準確度,這主要由計最部門進行。另一類 是檢測接線是否正確,儀表、設備有否故障,并進行處理,這是我們要進行的檢測。
①檢査各儀表的接線極性、相序(除交流電壓表、電流表、頻率表外)是否與電路圖相 符,不符合則應加以改進。
②結合發電機運行,觀察控制屏上各表指示有否異常,并加以簡易檢測,若有故障應 排除。
③用秒表檢驗電度表計最的正確性。檢驗時應盡吋能保持負載穩定,適當選擇電度表轉 盤轉數,使秒表讀數不少于50秒,然后開始計數。如果在某一負載下,測得轉盤轉動n轉 的時間為t,電流互感器變比為ni,電壓互感變比為nu則此時的功率
式中,c為電度表常數,即轉盤轉一轉所代表的瓦秒數。通常電度表銘牌上標有每千瓦小時轉數A,由此可計算出C= (3600×1000) /A。
若測出的功率值P與功率表指示相符,說明電度表接線正確,電度表完好,若相差很大,可進一步用抽中相法檢査。
④用抽中相法檢測三相兩元件電度表故障。在負荷不變的情況下,將電度表的中相(即 兩個電壓線圈公共接線相)電壓抽出(即拆開中相電壓線頭),然后通過抽去中相前、后轉盤轉向和轉數的變化情況來判斷接線是否有錯。
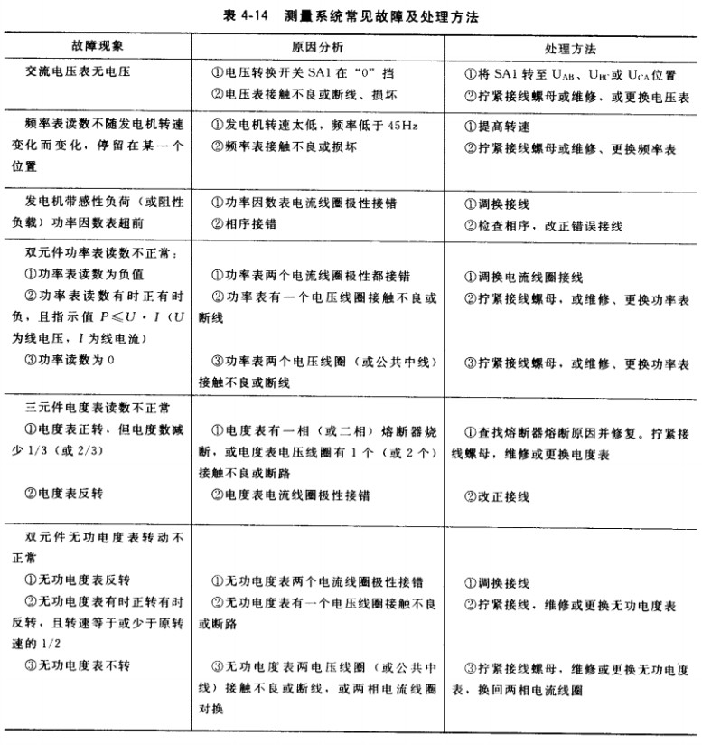
測量系統常見故障現象、原因分析及處理方法見表4-14。
(8)同期系統檢測。控制屏的同期系統用于檢測發電機并網條件,它的接線正確與否和各開關、儀表(或同期指示燈)有否故障,直接關系到發電機并網操作的成敗,以及電網安全、穩定運行,所以配電屏安裝接線后或檢修后必須進行檢測。
低壓發電機控制屏主要采用自動準同期系統,并輔之手動準同期系統。自動準同期系統常用ZZβ系列或ZTQ系列自動準同期裝置。手動準同期系統使用燈光法同期回路,主要由同期指示燈LH1?LH3、同期開關SA1、轉換開關SA2、電壓表V和頻率表Hz組成,它 們用于轉換測量電網和本機的電壓和頻率,SA1、LH1?LH3用于檢測同期條件。
①用萬用表法或對線燈法檢測。按圖4-2檢查同期回路的接線,并改正錯誤接線。
②在發電機起勵建立電壓后、并網前,檢測同期回路的工作情況。先將發電機電壓、頻 率調至額定值,然后合上同期開關SA1,并調節發電機電壓和頻率,觀察同期指示燈工作是否正常,正常則可把自動準同期裝置的電源開關合上(斷開輸出),同期裝置開始檢測, 當同期指示燈LH1?LH3熄滅時,自動準同期裝置上脈振燈(綠燈)滅,合閘指示燈(紅 燈)亮,說明工作正常,否則應及時分析原因并加以處理。
同期系統常見故障現象,原因分析及處理方法見表4-15。
2.控制箱常見故障及排除
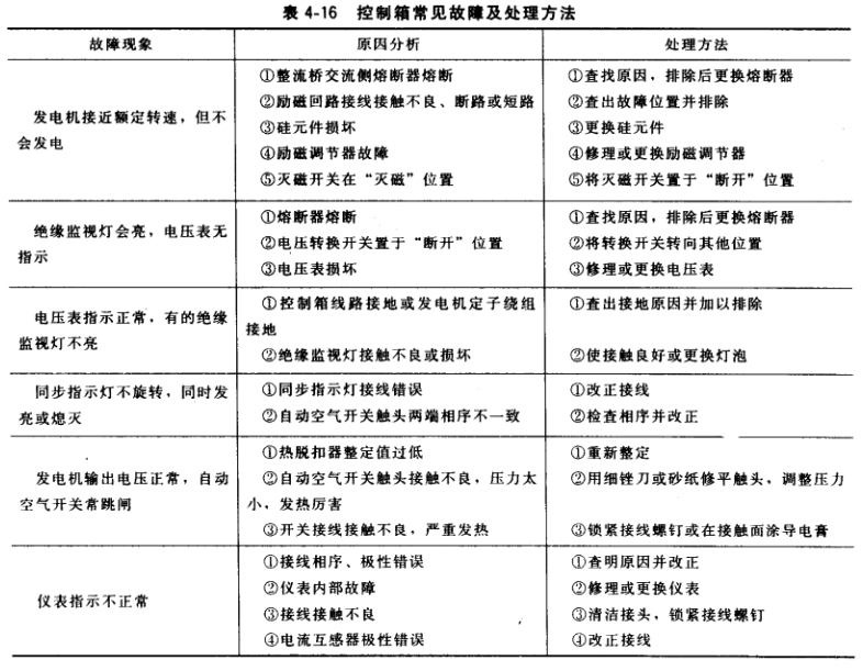
控制箱常見故障現象、原因分析及處理方法見表4-16





